TM-441
液晶表示が出ないとのことでお預かりしました。
液晶パネル、コントロール部の接続部分接点を洗浄しました。
オーナー様がバックアップ電池をソケット化してあります。
基板へのハンダ付けをやり直しました。
ソケットは再利用です。
LED取り付け。
電流制限抵抗は 270Ωと240Ωです。
基板パターンの断線チェック。
パネル照明LED化
点灯OKです。
パネルカバーボタンの抜け加工。
スズメッキ線を巻きつけてストップさせました。
液晶の表示修理で良いかなあと思っていたところ、パワーが出ないことに気付きました。
ファイナルのネジ山が潰れているのを発見しました。
ネジを取ろうとして、ラジオペンチなどで回そうとしたのでしょうか、半分回したところで固まっています。
ペンチがすべって勢い余り、近くのHIC基板を破損させているではありませんか。
HIC基板を取り外すしかありませんね。
この基板が破損すると、パワーが出なくなります。
ネジを回そうとしたところ、確かに固いです。。。。
「ネジザウルス」というプライヤーの登場です。
この、縦の食い付きじゃなければ回りません。
「ネジザウルス」で回したところ、ネジが途中でねじ切れてしまいました。
切れたネジが、穴の中に残ってしまいました。
こうなると厄介です。
ファイナルは取り外すことができました。
穴に残ってしまったネジをドリルでさらいます。
少しづつ進めてゆき、全部取りさらうのは根気のいる作業です。
キレイに除去できました。
タップでネジ山を切り直します。
ファイナルを取り付けました。
破損しているHIC基板の補修です。
トランジスタは割れてしまっています。
使える部品はなるべく再利用します。
トランジスタは、残念ながら割れてダメでした。
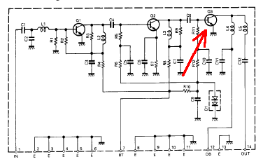
TM-441の資料が入手出来なかったので、同じようなTM-732用の回路で見ると、破損しているのはこのトランジスタです。
2SC2954のようですが、わかりませんよ。
だとすると、400MHzのときのゲインは15dBです。

破損したトランジスタ。
高周波トランジスタの手持に 2SC3357 がありました。
2SC2954より少しゲインが高く、400MHzのとき18dBあります。
これに交換してみましょう。
HIC基板の補修が完了しました。
2SC3357はVHF・UHF用高周波トランジスタですが、順調に動作してくれることを祈ります。
やったね! パワー復活。
HI 20W
MID 10W
LO 5W
周波数。
スプリアス良好。
FMデビエーション
規定の4,4Khz
Sメーター調整。
受信感度。
ー139,1dBm (SINAD)
受信感度スペックシール添付。
TM-441
修理完了です。
液晶表示が出ないとのことでお預かりしました。
液晶パネル、コントロール部の接続部分接点を洗浄しました。

オーナー様がバックアップ電池をソケット化してあります。
基板へのハンダ付けをやり直しました。
ソケットは再利用です。

LED取り付け。
電流制限抵抗は 270Ωと240Ωです。
基板パターンの断線チェック。

パネル照明LED化
点灯OKです。

パネルカバーボタンの抜け加工。
スズメッキ線を巻きつけてストップさせました。

液晶の表示修理で良いかなあと思っていたところ、パワーが出ないことに気付きました。
ファイナルのネジ山が潰れているのを発見しました。
ネジを取ろうとして、ラジオペンチなどで回そうとしたのでしょうか、半分回したところで固まっています。
ペンチがすべって勢い余り、近くのHIC基板を破損させているではありませんか。

HIC基板を取り外すしかありませんね。
この基板が破損すると、パワーが出なくなります。

ネジを回そうとしたところ、確かに固いです。。。。
「ネジザウルス」というプライヤーの登場です。

この、縦の食い付きじゃなければ回りません。

「ネジザウルス」で回したところ、ネジが途中でねじ切れてしまいました。

切れたネジが、穴の中に残ってしまいました。
こうなると厄介です。

ファイナルは取り外すことができました。

穴に残ってしまったネジをドリルでさらいます。
少しづつ進めてゆき、全部取りさらうのは根気のいる作業です。

キレイに除去できました。

タップでネジ山を切り直します。

ファイナルを取り付けました。

破損しているHIC基板の補修です。
トランジスタは割れてしまっています。

使える部品はなるべく再利用します。
トランジスタは、残念ながら割れてダメでした。

TM-441の資料が入手出来なかったので、同じようなTM-732用の回路で見ると、破損しているのはこのトランジスタです。
2SC2954のようですが、わかりませんよ。
だとすると、400MHzのときのゲインは15dBです。


高周波トランジスタの手持に 2SC3357 がありました。
2SC2954より少しゲインが高く、400MHzのとき18dBあります。
これに交換してみましょう。

HIC基板の補修が完了しました。
2SC3357はVHF・UHF用高周波トランジスタですが、順調に動作してくれることを祈ります。

やったね! パワー復活。
HI 20W
MID 10W
LO 5W

周波数。

スプリアス良好。

FMデビエーション
規定の4,4Khz

Sメーター調整。

受信感度。
ー139,1dBm (SINAD)

受信感度スペックシール添付。

TM-441
修理完了です。

コメント