TM-241
オーナー様がリセットしたところ、パネル表示が出なくなったとのことで、お預かりしました。
電源を入れると、パネルが一瞬だけ光って消えてしまいます。
オーナー様がバックアップ電池をソケット化してありました。
CPUの裏側には、電池の黒色シールが貼られたままです。
黒色シールを剥がした状況です。
スルーホールがたくさんありますよね、この基板の裏側にはCPUがあります。
シールがベタベタした状態ではスルーホール同士がリークしてしまいます。
アルコールで完全に洗浄しました。
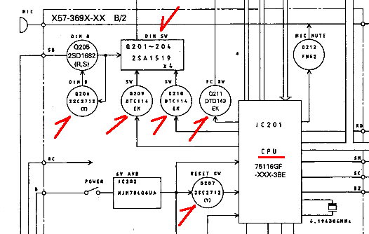
ディマースイッチ、ファンクションスイッチ、リセットスイッチ
トランジスターをオール交換しました。
リセットスイッチ
ディマースイッチ
DTA143
ディーマー関連スイッチ
ディマースイッチ
ファンクションスイッチ
LED化
パネルが正常に点灯するようになりました。
ボタンの抜け加工。
スズメッキ線にて固定しました。
周波数
スプリアス良好
FMデビエーション
規定の4,4Khz
出力
HI 20W
MID 10W
LO 5W
Sメーター調整
受信感度
ー141,4dBm (SINAD)
受信感度、スペックシール添付
ディマー最大4の状態、眩しいです。
修理完了しました。
オーナー様がリセットしたところ、パネル表示が出なくなったとのことで、お預かりしました。
電源を入れると、パネルが一瞬だけ光って消えてしまいます。
オーナー様がバックアップ電池をソケット化してありました。
CPUの裏側には、電池の黒色シールが貼られたままです。

黒色シールを剥がした状況です。
スルーホールがたくさんありますよね、この基板の裏側にはCPUがあります。
シールがベタベタした状態ではスルーホール同士がリークしてしまいます。
アルコールで完全に洗浄しました。

ディマースイッチ、ファンクションスイッチ、リセットスイッチ
トランジスターをオール交換しました。

リセットスイッチ

2SC2712

ディマースイッチ


ディーマー関連スイッチ

ディマースイッチ

ファンクションスイッチ

LED化

パネルが正常に点灯するようになりました。

ボタンの抜け加工。
スズメッキ線にて固定しました。

周波数

スプリアス良好

FMデビエーション
規定の4,4Khz

出力
HI 20W
MID 10W
LO 5W

Sメーター調整

受信感度
ー141,4dBm (SINAD)

受信感度、スペックシール添付

ディマー最大4の状態、眩しいです。
修理完了しました。

コメント